精密转盘轴承是在普通回转支承轴承基础上发展的高精度核心部件,以 “高旋转精度、强结构刚度、低运行误差” 为核心特征,广泛适配对运动精度要求严苛的高端装备,是高端制造领域实 现精准传动与稳定支撑的关键基础件。
相较于普通重载型回转支承,精密转盘轴承的核心优势集中在精度控制与性能稳定性上。其径向跳动、轴向窜动误差通常控制在 0.005-0.02mm 范围内,滚道采用超精密磨削工艺,表面粗糙度可达 Ra0.2μm 以下;结构设计上优化了预紧调节机制,通过精准控制滚动体与滚道的接触压力,有效消除游隙,提升轴承刚度,同时标配高精度密封与长效润滑结构,避免杂质侵入与润滑失效,保障长期运行精度。
在性能表现上,精密转盘轴承兼具高承载与低振动特性:采用高强度轴承钢(如 GCr15SiMn)经特殊热处理,可承受一定轴向、径向载荷及倾覆力矩,同时通过优化滚动体排布与装配工艺,将运行噪音控制在 55 分贝以下,满足精密设备对低干扰的需求。此外,其寿命设计更注重 “精度保持性”,在额定工况下,精度衰减率较普通轴承降低 30% 以上,大幅延长设备维护周期。
目前,精密转盘轴承已成为高端装备的 “核心关节”,主要应用于数控机床工作台、工业机器人关节、半导体晶圆搬运设备、航空航天测试平台、医疗影像设备等领域 —— 例如在五轴数控机床中,其精度直接决定工件加工的形位公差;在机器人关节中,可保障多轴联动的同步性与定位精度,是推动装备向 “高精度、高可靠性” 升级的重要支撑。

|
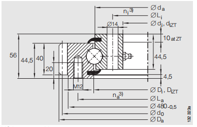
型号规格
|
质量(≈kg)
|
尺寸
|
安装孔⁵
|
固定螺钉
许用摩擦力⁴
kN
|
齿轮
|
齿力
|
基本额定载荷
|
|
外径
Da
|
外径
Daz²-T8
|
内径
d₁
|
外径D₁
|
内径da
|
内径
dazT²-IT8
|
孔距La
|
孔数na³
|
孔距L₁
|
孔数n₁³
|
分度圆直径d₀
|
模数m
|
齿数z
|
公称齿力
Fz,nom
kN
|
最大齿力
Fz,max
kN
|
轴向
|
径向
|
|
动载
Cₐ
kN
|
静载
C₀ₐ
kN
|
动载
Cᵣ
kN
|
静载
C₀ᵣ
kN
|
|
VSA200414N
|
31
|
503,3
|
342⁻⁰·⁵
|
344
|
415,5⁺⁰·⁵
|
417
|
412,5⁻⁰·⁵
|
455
|
20
|
368
|
24
|
82.6
|
495
|
5
|
99
|
15.9
|
23.6
|
169
|
560
|
111
|
248
|
|
VSA200544N
|
43
|
640,3
|
472⁻⁰·⁵
|
474
|
545,5⁺⁰·⁵
|
547
|
542,5⁻⁰·⁵
|
585
|
28
|
498
|
32
|
115.6
|
630
|
6
|
105
|
21.3
|
31.5
|
188
|
740
|
123
|
325
|
|
VSA200644N
|
52
|
720,4
|
572⁻⁰·⁶
|
574
|
645,5⁺⁰·⁵
|
647
|
642,5⁻⁰·⁶
|
685
|
32
|
598
|
36
|
132.2
|
732
|
6
|
122
|
21.3
|
31.5
|
200
|
880
|
131
|
385
|
|
VSA200744N
|
59
|
838,1
|
672⁻⁰·⁶
|
674
|
745,5⁺⁰·⁵
|
747
|
742,5⁻⁰·⁶
|
785
|
36
|
698
|
40
|
148.7
|
828
|
6
|
138
|
21.3
|
31.5
|
211
|
1010
|
138
|
445
|
|
VSA200844N
|
71
|
940,1
|
772⁻⁰·⁶
|
774
|
845,5⁺⁰·⁵
|
847
|
842,5⁻⁰·⁶
|
885
|
36
|
798
|
40
|
148.7
|
936
|
8
|
117
|
28.3
|
42
|
222
|
1150
|
145
|
510
|
|
VSA200944N
|
77
|
1046,1
|
872⁻⁰·⁷
|
874
|
945,5⁺⁰·⁷
|
947
|
942,5⁻⁰·⁷
|
985
|
40
|
898
|
44
|
165.2
|
1032
|
8
|
129
|
28.3
|
42
|
231
|
1280
|
151
|
570
|
|
VSA201094N
|
91
|
1198,1
|
1022⁻⁰·⁷
|
1024
|
1095,5⁺⁰·⁷
|
1097
|
1092,5⁻⁰·⁷
|
1135
|
44
|
1048
|
48
|
181.7
|
1184
|
8
|
148
|
28.3
|
42
|
244
|
1490
|
160
|
660
|