精密转盘轴承是在普通回转支承轴承基础上发展的高精度核心部件,以 “高旋转精度、强结构刚度、低运行误差” 为核心特征,广泛适配对运动精度要求严苛的高端装备,是高端制造领域实 现精准传动与稳定支撑的关键基础件。
相较于普通重载型回转支承,精密转盘轴承的核心优势集中在精度控制与性能稳定性上。其径向跳动、轴向窜动误差通常控制在 0.005-0.02mm 范围内,滚道采用超精密磨削工艺,表面粗糙度可达 Ra0.2μm 以下;结构设计上优化了预紧调节机制,通过精准控制滚动体与滚道的接触压力,有效消除游隙,提升轴承刚度,同时标配高精度密封与长效润滑结构,避免杂质侵入与润滑失效,保障长期运行精度。
在性能表现上,精密转盘轴承兼具高承载与低振动特性:采用高强度轴承钢(如 GCr15SiMn)经特殊热处理,可承受一定轴向、径向载荷及倾覆力矩,同时通过优化滚动体排布与装配工艺,将运行噪音控制在 55 分贝以下,满足精密设备对低干扰的需求。此外,其寿命设计更注重 “精度保持性”,在额定工况下,精度衰减率较普通轴承降低 30% 以上,大幅延长设备维护周期。
目前,精密转盘轴承已成为高端装备的 “核心关节”,主要应用于数控机床工作台、工业机器人关节、半导体晶圆搬运设备、航空航天测试平台、医疗影像设备等领域 —— 例如在五轴数控机床中,其精度直接决定工件加工的形位公差;在机器人关节中,可保障多轴联动的同步性与定位精度,是推动装备向 “高精度、高可靠性” 升级的重要支撑。
|
Designation
|
Mass ≈kg
|
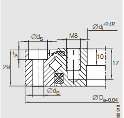
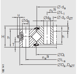
Dimensions
|
|
安装孔
|
固定螺钉
(摩擦锁紧)
kN
|
基本额定载荷
|
内部游隙预紧力
|
|
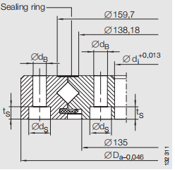
外径Da
|
内径di²
-IT8
|
内径di
|
内径Di2)
-IT8
|
内径Di
|
外径da
|
高度H
|
深度h
|
厚度T
|
宽度t
|
u
max.
|
安装孔距Lₐ
|
安装孔内距Lᵢ
|
安装孔直径na3)
|
安装孔数量nᵢ³
|
螺钉直径dB
|
螺钉直径ds
|
宽度ts
|
轴向
|
径向
|
|
轴向动态额定载荷
|
轴向静态额定载荷
|
径向动态额定载荷
|
径向静态额定载荷
|
径向游隙
|
轴向游隙
|
预紧力
|
|
XU120222
|
12
|
300
|
–
|
140
|
–
|
224
|
220
|
36
|
30
|
–
|
–
|
–
|
270
|
170
|
12
|
12
|
18
|
–
|
–
|
65,5
|
133
|
275
|
85
|
131
|
0,01 incl. 0,03
|
0,02 incl. 0,06
|
–
|
|
XU160260
|
16
|
329
|
327
|
191
|
193
|
261
|
259
|
46
|
41
|
7
|
7
|
3,5
|
305
|
215
|
20
|
20
|
14
|
–
|
–
|
82,6
|
212
|
350
|
135
|
173
|
Clearance-free
|
Clearance-free
|
0 incl. 0,02
|
|
XU080264⁹
|
6,9
|
311
|
–
|
215,9
|
–
|
264,6
|
263,4
|
25,4
|
25,4
|
–
|
–
|
–
|
295,3
|
231,8
|
12
|
12
|
8,7
|
13,7
|
8,6
|
21
|
85
|
117
|
54
|
57
|
Clearance-free
|
Clearance-free
|
0 incl. 0,02
|
|
XU160405
|
25
|
474
|
472
|
336
|
338
|
404
|
406
|
46
|
41
|
7
|
7
|
3,5
|
450
|
376
|
30
|
30
|
14
|
–
|
–
|
123,9
|
270
|
550
|
172
|
270
|
Clearance-free
|
Clearance-free
|
0 incl. 0,02
|
|
XU080430⁵
|
12
|
480
|
–
|
380
|
–
|
430,6
|
429,4
|
26
|
26
|
–
|
–
|
–
|
462
|
398
|
20
|
20
|
9
|
15
|
9
|
35
|
720
|
730
|
170
|
138
|
Clearance-free
|
Clearance-free
|
0 incl. 0,02
|
|
XU300515
|
115
|
646
|
644
|
384
|
386
|
516
|
514
|
78
|
79
|
12
|
12
|
–
|
598
|
432
|
18
|
18
|
26
|
–
|
–
|
313,2
|
1120
|
1370
|
455
|
670
|
Clearance-free
|
Clearance-free
|
0 incl. 0,03
|