精密转盘轴承是在普通回转支承轴承基础上发展的高精度核心部件,以 “高旋转精度、强结构刚度、低运行误差” 为核心特征,广泛适配对运动精度要求严苛的高端装备,是高端制造领域实 现精准传动与稳定支撑的关键基础件。
相较于普通重载型回转支承,精密转盘轴承的核心优势集中在精度控制与性能稳定性上。其径向跳动、轴向窜动误差通常控制在 0.005-0.02mm 范围内,滚道采用超精密磨削工艺,表面粗糙度可达 Ra0.2μm 以下;结构设计上优化了预紧调节机制,通过精准控制滚动体与滚道的接触压力,有效消除游隙,提升轴承刚度,同时标配高精度密封与长效润滑结构,避免杂质侵入与润滑失效,保障长期运行精度。
在性能表现上,精密转盘轴承兼具高承载与低振动特性:采用高强度轴承钢(如 GCr15SiMn)经特殊热处理,可承受一定轴向、径向载荷及倾覆力矩,同时通过优化滚动体排布与装配工艺,将运行噪音控制在 55 分贝以下,满足精密设备对低干扰的需求。此外,其寿命设计更注重 “精度保持性”,在额定工况下,精度衰减率较普通轴承降低 30% 以上,大幅延长设备维护周期。
目前,精密转盘轴承已成为高端装备的 “核心关节”,主要应用于数控机床工作台、工业机器人关节、半导体晶圆搬运设备、航空航天测试平台、医疗影像设备等领域 —— 例如在五轴数控机床中,其精度直接决定工件加工的形位公差;在机器人关节中,可保障多轴联动的同步性与定位精度,是推动装备向 “高精度、高可靠性” 升级的重要支撑。
|
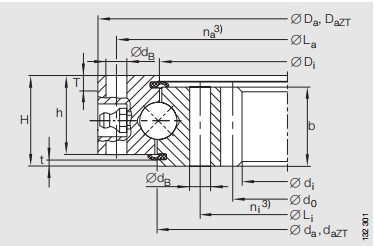
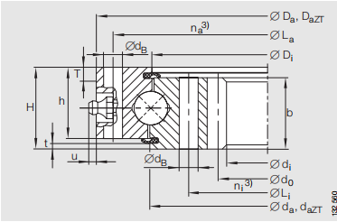
轴承型号
|
重量 ≈kg
|
尺寸
|
|
安装孔
|
固定螺钉
(摩擦锁紧)
kN
|
齿轮齿数
|
齿受力
|
基本额定载荷
|
|
外径Dₐ
|
外径dₐz₂²-IT8
|
dᵢ内径
|
内径Dᵢ
|
外径dₐ
|
内径Dᵢz₂²-IT8
|
高度H
|
深度h
|
厚度T
|
宽度t
|
u
|
安装孔距Lₐ
|
安装孔内距Lᵢ
|
安装孔直径na3)
|
安装孔数量nᵢ³
|
螺钉直径dB
|
分度圆直径
|
模数m
|
齿数z
|
齿宽b
|
齿向力Fz nom
kN
|
最大齿向力Fz max
kN
|
轴向
|
径向
|
|
轴向动态额定载荷
|
轴向静态额定载荷
|
径向动态额定载荷
|
径向静态额定载荷
|
|
VI160288N
|
12
|
340
|
338
|
216
|
287
|
289
|
287
|
39
|
34
|
6
|
2,5
|
9,5
|
324
|
252
|
20
|
20
|
9
|
35
|
224
|
4
|
56
|
34
|
12,3
|
17,8
|
165
|
420
|
108
|
190
|
|
VI140326V⁹
|
18
|
382
|
-
|
250
|
333
|
320
|
-
|
59
|
-
|
-
|
-
|
-
|
362
|
290
|
8
|
8
|
-
|
22,4
|
255,5
|
3,5
|
73
|
40
|
10,8
|
16,1
|
83
|
206
|
78
|
93
|
|
VI160420N
|
23
|
486
|
484
|
332
|
419
|
421
|
419
|
39
|
34
|
6
|
2,5
|
-
|
462
|
378
|
16
|
16
|
14
|
66,1
|
340
|
4
|
85
|
34
|
12,3
|
17,8
|
191
|
620
|
125
|
275
|