精密转盘轴承是在普通回转支承轴承基础上发展的高精度核心部件,以 “高旋转精度、强结构刚度、低运行误差” 为核心特征,广泛适配对运动精度要求严苛的高端装备,是高端制造领域实 现精准传动与稳定支撑的关键基础件。
相较于普通重载型回转支承,精密转盘轴承的核心优势集中在精度控制与性能稳定性上。其径向跳动、轴向窜动误差通常控制在 0.005-0.02mm 范围内,滚道采用超精密磨削工艺,表面粗糙度可达 Ra0.2μm 以下;结构设计上优化了预紧调节机制,通过精准控制滚动体与滚道的接触压力,有效消除游隙,提升轴承刚度,同时标配高精度密封与长效润滑结构,避免杂质侵入与润滑失效,保障长期运行精度。
在性能表现上,精密转盘轴承兼具高承载与低振动特性:采用高强度轴承钢(如 GCr15SiMn)经特殊热处理,可承受一定轴向、径向载荷及倾覆力矩,同时通过优化滚动体排布与装配工艺,将运行噪音控制在 55 分贝以下,满足精密设备对低干扰的需求。此外,其寿命设计更注重 “精度保持性”,在额定工况下,精度衰减率较普通轴承降低 30% 以上,大幅延长设备维护周期。
目前,精密转盘轴承已成为高端装备的 “核心关节”,主要应用于数控机床工作台、工业机器人关节、半导体晶圆搬运设备、航空航天测试平台、医疗影像设备等领域 —— 例如在五轴数控机床中,其精度直接决定工件加工的形位公差;在机器人关节中,可保障多轴联动的同步性与定位精度,是推动装备向 “高精度、高可靠性” 升级的重要支撑。
|
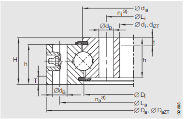
轴承型号
|
重量 ≈kg
|
尺寸
|
安装孔
|
固定螺钉(摩擦锁紧)kN
|
基本额定载荷
|
内部游隙
|
|
外径Dₐ
|
外径
dₐz₂²
-IT8
|
内径dᵢ
|
内径
Dᵢz₂²
-IT8
|
Dᵢ内径
|
外径dₐ
|
高度H
|
深度h
|
厚度T
|
宽度t
|
安装孔距Lₐ
|
安装孔
内距Lᵢ
|
安装孔
直径na3)
|
安装孔
数量nᵢ³
|
螺钉直径dB
|
轴向
|
径向
|
径向游隙
|
轴向倾斜游隙
|
|
轴向动态额定载荷
|
轴向静态额定载荷
|
径向动态额定载荷
|
径向静态额定载荷
|
|
VU200405
|
25
|
474
|
472
|
336
|
338
|
404
|
406
|
46
|
41
|
7
|
7
|
450
|
376
|
30
|
30
|
14
|
123,9
|
260
|
810
|
219
|
360
|
0.05 incl. 0.2
|
0.08 incl. 0.33
|
|
VU250433
|
41
|
522
|
520
|
344
|
346
|
432
|
434
|
55
|
50
|
8
|
8
|
490
|
376
|
30
|
30
|
18
|
156
|
340
|
980
|
253
|
420
|
0.08 incl. 0.25
|
0.1 incl. 0.41
|
|
VU300574
|
82
|
680
|
678
|
468
|
470
|
572
|
576
|
68
|
61
|
10
|
10
|
640
|
508
|
20
|
20
|
22
|
242
|
495
|
1540
|
325
|
690
|
0.08 incl. 0.3
|
0.13 incl. 0.49
|
|
VU300680
|
120
|
795
|
793
|
565
|
567
|
678
|
682
|
79
|
72
|
11
|
11
|
755
|
605
|
30
|
30
|
22
|
363
|
640
|
2260
|
415
|
1020
|
0.08 incl. 0.36
|
0.15 incl. 0.56
|