精密转盘轴承是在普通回转支承轴承基础上发展的高精度核心部件,以 “高旋转精度、强结构刚度、低运行误差” 为核心特征,广泛适配对运动精度要求严苛的高端装备,是高端制造领域实 现精准传动与稳定支撑的关键基础件。
相较于普通重载型回转支承,精密转盘轴承的核心优势集中在精度控制与性能稳定性上。其径向跳动、轴向窜动误差通常控制在 0.005-0.02mm 范围内,滚道采用超精密磨削工艺,表面粗糙度可达 Ra0.2μm 以下;结构设计上优化了预紧调节机制,通过精准控制滚动体与滚道的接触压力,有效消除游隙,提升轴承刚度,同时标配高精度密封与长效润滑结构,避免杂质侵入与润滑失效,保障长期运行精度。
在性能表现上,精密转盘轴承兼具高承载与低振动特性:采用高强度轴承钢(如 GCr15SiMn)经特殊热处理,可承受一定轴向、径向载荷及倾覆力矩,同时通过优化滚动体排布与装配工艺,将运行噪音控制在 55 分贝以下,满足精密设备对低干扰的需求。此外,其寿命设计更注重 “精度保持性”,在额定工况下,精度衰减率较普通轴承降低 30% 以上,大幅延长设备维护周期。
目前,精密转盘轴承已成为高端装备的 “核心关节”,主要应用于数控机床工作台、工业机器人关节、半导体晶圆搬运设备、航空航天测试平台、医疗影像设备等领域 —— 例如在五轴数控机床中,其精度直接决定工件加工的形位公差;在机器人关节中,可保障多轴联动的同步性与定位精度,是推动装备向 “高精度、高可靠性” 升级的重要支撑。
|
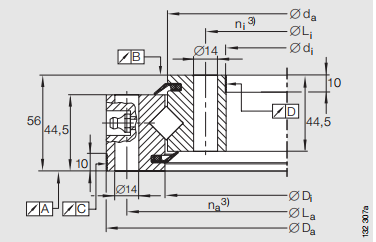
轴承型号
|
重量 ≈kg
|
尺寸
|
安装孔
|
固定螺钉
(摩擦锁紧)
kN
|
基本额定载荷
|
轴承游隙
|
|
外径Da2)
-IT7
|
内径di²
-IT7
|
内径Di
|
外径da
|
安装孔距Lₐ
|
安装孔内距Lᵢ
|
安装孔直径na3)
|
安装孔数量nᵢ³
|
轴向
|
径向
|
|
轴向动态额定载荷
|
轴向静态额定载荷
|
径向动态额定载荷
|
径向静态额定载荷
|
|
XSU140414
|
28
|
484
|
344
|
415⁺⁰·⁵
|
413₋₀·₅
|
460
|
24
|
368
|
24
|
99,1
|
229
|
520
|
146
|
250
|
0,01 incl. 0,03
|
|
XSU140544
|
38
|
614
|
474
|
545⁺⁰·⁵
|
543₋₀·₅
|
590
|
32
|
498
|
32
|
132,2
|
270
|
680
|
170
|
330
|
0,01 incl. 0,03
|
|
XSU140644
|
44
|
714
|
574
|
645⁺⁰·⁶
|
643₋₀·₅
|
690
|
36
|
598
|
36
|
148,7
|
290
|
800
|
185
|
395
|
0,01 incl. 0,04
|
|
XSU140744
|
52
|
814
|
674
|
745⁺⁰·⁶
|
743₋₀·₆
|
790
|
40
|
698
|
40
|
165,2
|
315
|
930
|
200
|
455
|
0,01 incl. 0,04
|
|
XSU140844
|
60
|
914
|
774
|
845⁺⁰·⁶
|
843₋₀·₆
|
890
|
40
|
798
|
40
|
165,2
|
340
|
1050
|
215
|
510
|
0,01 incl. 0,04
|
|
XSU140944
|
67
|
1014
|
874
|
945⁺⁰·⁷
|
943₋₀·₇
|
990
|
44
|
898
|
44
|
181,7
|
360
|
1170
|
227
|
580
|
0,01 incl. 0,05
|
|
XSU141094
|
77
|
1164
|
1024
|
1095⁺⁰·⁷
|
1093₋₀·₇
|
1140
|
48
|
1048
|
48
|
198,2
|
390
|
1360
|
246
|
670
|
0,01 incl. 0,05
|