精密转盘轴承是在普通回转支承轴承基础上发展的高精度核心部件,以 “高旋转精度、强结构刚度、低运行误差” 为核心特征,广泛适配对运动精度要求严苛的高端装备,是高端制造领域实 现精准传动与稳定支撑的关键基础件。
相较于普通重载型回转支承,精密转盘轴承的核心优势集中在精度控制与性能稳定性上。其径向跳动、轴向窜动误差通常控制在 0.005-0.02mm 范围内,滚道采用超精密磨削工艺,表面粗糙度可达 Ra0.2μm 以下;结构设计上优化了预紧调节机制,通过精准控制滚动体与滚道的接触压力,有效消除游隙,提升轴承刚度,同时标配高精度密封与长效润滑结构,避免杂质侵入与润滑失效,保障长期运行精度。
在性能表现上,精密转盘轴承兼具高承载与低振动特性:采用高强度轴承钢(如 GCr15SiMn)经特殊热处理,可承受一定轴向、径向载荷及倾覆力矩,同时通过优化滚动体排布与装配工艺,将运行噪音控制在 55 分贝以下,满足精密设备对低干扰的需求。此外,其寿命设计更注重 “精度保持性”,在额定工况下,精度衰减率较普通轴承降低 30% 以上,大幅延长设备维护周期。
目前,精密转盘轴承已成为高端装备的 “核心关节”,主要应用于数控机床工作台、工业机器人关节、半导体晶圆搬运设备、航空航天测试平台、医疗影像设备等领域 —— 例如在五轴数控机床中,其精度直接决定工件加工的形位公差;在机器人关节中,可保障多轴联动的同步性与定位精度,是推动装备向 “高精度、高可靠性” 升级的重要支撑。
|
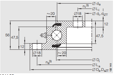
型号
|
重量 ≈kg
|
尺寸
|
安装孔
|
固定螺钉
许用载荷(摩擦锁定)⁴
(千牛)
|
基本额定载荷
|
|
外径
Da
|
外径
Daz²-T8
|
内径
d₁
|
外径D₁
|
内径da
|
内径
dazT²-IT8
|
孔距La
|
孔数na³
|
孔距L₁
|
孔数n₁³
|
轴向
|
径向
|
|
动载荷
Ca
kN
|
静载荷
Coa
kN
|
动载荷
Cr
kN
|
静载荷
Cor
kN
|
|
VLU200414
|
23,5
|
518₋₀,₅
|
516
|
304₊₀,₅
|
306₊₀,₈
|
415,5₊₀,₅
|
412,5₋₀,₅
|
490
|
8
|
332
|
12
|
55
|
169
|
295
|
111
|
110
|
|
VLU200544
|
31
|
648₋₀,₅
|
646
|
434₊₀,₅
|
436
|
545,5₊₀,₅
|
542,5₋₀,₅
|
620
|
10
|
462
|
16
|
72,5
|
188
|
385
|
123
|
145
|
|
VLU200644
|
36,5
|
748₋₀,₆
|
746
|
534₊₀,₆
|
536
|
645,5₊₀,₅
|
642,5₋₀,₆
|
720
|
12
|
562
|
16
|
85,5
|
200
|
455
|
131
|
171
|
|
VLU200744
|
42,5
|
848₋₀,₆
|
846
|
634₊₀,₆
|
636
|
745,5₊₀,₅
|
742,5₋₀,₆
|
820
|
12
|
662
|
18
|
93,6
|
211
|
530
|
138
|
198
|
|
VLU200844
|
48
|
948₋₀,₆
|
946
|
734₊₀,₆
|
736
|
845,5₊₀,₅
|
842,5₋₀,₆
|
920
|
14
|
762
|
18
|
109,2
|
222
|
600
|
145
|
224
|
|
VLU200944
|
56
|
1048₋₀,₇
|
1046
|
834₊₀,₇
|
836
|
945,5₊₀,₇
|
942,5₋₀,₇
|
1020
|
16
|
862
|
20
|
124,8
|
231
|
670
|
151
|
250
|
|
VLU201094
|
62,5
|
1198₋₀,₇
|
1196
|
984₊₀,₇
|
986
|
1095,5₊₀,₇
|
1092,5₋₀,₇
|
1170
|
16
|
1012
|
20
|
124,8
|
244
|
770
|
160
|
290
|