精密转盘轴承是在普通回转支承轴承基础上发展的高精度核心部件,以 “高旋转精度、强结构刚度、低运行误差” 为核心特征,广泛适配对运动精度要求严苛的高端装备,是高端制造领域实 现精准传动与稳定支撑的关键基础件。
相较于普通重载型回转支承,精密转盘轴承的核心优势集中在精度控制与性能稳定性上。其径向跳动、轴向窜动误差通常控制在 0.005-0.02mm 范围内,滚道采用超精密磨削工艺,表面粗糙度可达 Ra0.2μm 以下;结构设计上优化了预紧调节机制,通过精准控制滚动体与滚道的接触压力,有效消除游隙,提升轴承刚度,同时标配高精度密封与长效润滑结构,避免杂质侵入与润滑失效,保障长期运行精度。
在性能表现上,精密转盘轴承兼具高承载与低振动特性:采用高强度轴承钢(如 GCr15SiMn)经特殊热处理,可承受一定轴向、径向载荷及倾覆力矩,同时通过优化滚动体排布与装配工艺,将运行噪音控制在 55 分贝以下,满足精密设备对低干扰的需求。此外,其寿命设计更注重 “精度保持性”,在额定工况下,精度衰减率较普通轴承降低 30% 以上,大幅延长设备维护周期。
目前,精密转盘轴承已成为高端装备的 “核心关节”,主要应用于数控机床工作台、工业机器人关节、半导体晶圆搬运设备、航空航天测试平台、医疗影像设备等领域 —— 例如在五轴数控机床中,其精度直接决定工件加工的形位公差;在机器人关节中,可保障多轴联动的同步性与定位精度,是推动装备向 “高精度、高可靠性” 升级的重要支撑。



|
轴承型号
|
重量 ≈kg
|
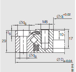
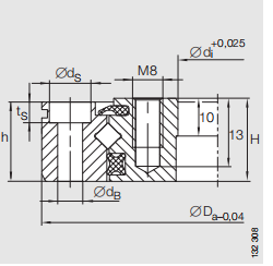
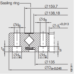
尺寸
|
|
Fixing holes
|
固定螺钉
(摩擦锁紧)
kN
|
基本额定载荷
|
轴承游隙
|
|
外径Da
|
内径di²
-IT8
|
内径di
|
内径Di2)
-IT8
|
内径Di
|
外径da
|
高度H
|
深度h
|
厚度T
|
宽度t
|
u
max.
|
安装孔距Lₐ
|
安装孔内距Lᵢ
|
安装孔直径na3)
|
安装孔数量nᵢ³
|
螺钉直径dB
|
ds
|
ts
|
轴向
|
径向
|
|
轴向动态额定载荷
|
轴向静态额定载荷
|
径向动态额定载荷
|
径向静态额定载荷
|
|
XU050077⁵
|
1,2
|
112
|
–
|
40
|
–
|
77,5
|
74
|
22
|
21
|
–
|
–
|
–
|
97
|
56
|
6
|
6
|
6,6
|
11
|
5,5
|
5,8
|
22,4
|
29,3
|
14,2
|
20,7
|
0,005 incl. 0,008
|
|
XU060094⁵
|
2,4
|
140
|
–
|
57
|
–
|
94,6
|
93,4
|
26
|
25
|
–
|
–
|
–
|
120
|
70
|
6
|
6
|
9
|
15
|
6
|
9,2
|
32,5
|
37,5
|
18,4
|
20,7
|
0,005 incl. 0,008
|
|
XU060111⁵
|
4
|
145,79
|
–
|
76,2
|
–
|
111,8
|
–
|
15,87
|
–
|
–
|
–
|
–
|
133,1
|
88,9
|
8
|
8
|
6,9
|
11
|
6,35
|
7,7
|
36
|
44,5
|
21,5
|
22,8
|
0,005 incl. 0,02
|
|
XU080129⁵
|
1,2
|
170
|
–
|
69
|
–
|
120,6
|
119,4
|
30
|
–
|
–
|
–
|
–
|
148
|
90
|
6
|
6
|
9
|
15
|
9
|
10,5
|
56
|
53
|
25
|
36
|
0,005 incl. 0,008
|
|
XU080149⁵
|
3,6
|
196,85
|
–
|
101,6
|
–
|
149,6
|
149,6
|
22,22
|
22,22
|
–
|
–
|
–
|
177,8
|
115,8
|
6
|
6
|
6,9
|
11
|
6,35
|
15,4
|
63
|
66
|
32,5
|
40
|
0,005 incl. 0,008
|
|
XU120179
|
7
|
234
|
232
|
124,5
|
126,5
|
180±0,2
|
178±0,2
|
35
|
30
|
5
|
5
|
6
|
214
|
144,5
|
12
|
12
|
11
|
–
|
–
|
33,6
|
118
|
179
|
88
|
88
|
0 incl. 0,02
|