精密转盘轴承是在普通回转支承轴承基础上发展的高精度核心部件,以 “高旋转精度、强结构刚度、低运行误差” 为核心特征,广泛适配对运动精度要求严苛的高端装备,是高端制造领域实 现精准传动与稳定支撑的关键基础件。
相较于普通重载型回转支承,精密转盘轴承的核心优势集中在精度控制与性能稳定性上。其径向跳动、轴向窜动误差通常控制在 0.005-0.02mm 范围内,滚道采用超精密磨削工艺,表面粗糙度可达 Ra0.2μm 以下;结构设计上优化了预紧调节机制,通过精准控制滚动体与滚道的接触压力,有效消除游隙,提升轴承刚度,同时标配高精度密封与长效润滑结构,避免杂质侵入与润滑失效,保障长期运行精度。
在性能表现上,精密转盘轴承兼具高承载与低振动特性:采用高强度轴承钢(如 GCr15SiMn)经特殊热处理,可承受一定轴向、径向载荷及倾覆力矩,同时通过优化滚动体排布与装配工艺,将运行噪音控制在 55 分贝以下,满足精密设备对低干扰的需求。此外,其寿命设计更注重 “精度保持性”,在额定工况下,精度衰减率较普通轴承降低 30% 以上,大幅延长设备维护周期。
目前,精密转盘轴承已成为高端装备的 “核心关节”,主要应用于数控机床工作台、工业机器人关节、半导体晶圆搬运设备、航空航天测试平台、医疗影像设备等领域 —— 例如在五轴数控机床中,其精度直接决定工件加工的形位公差;在机器人关节中,可保障多轴联动的同步性与定位精度,是推动装备向 “高精度、高可靠性” 升级的重要支撑。
|
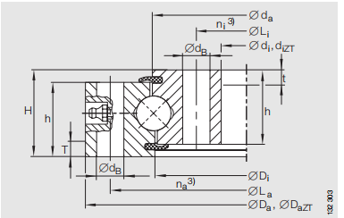
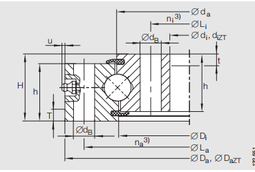
轴承型号
|
重量 ≈kg
|
尺寸
|
|
安装孔
|
固定螺钉
(摩擦锁紧)
kN
|
基本额定载荷
|
内部游隙
|
|
外径Dₐ
|
外径dₐz₂²-IT8
|
内径dᵢ
|
内径Dᵢz₂²-IT8
|
Dᵢ内径
|
外径dₐ
|
高度H
|
深度h
|
厚度T
|
宽度t
|
u
|
安装孔距Lₐ
|
安装孔内距Lᵢ
|
安装孔直径na3)
|
安装孔数量nᵢ³
|
螺钉直径dB
|
轴向
|
径向
|
径向游隙
|
轴向倾斜游隙
|
|
轴向动态额定载荷
|
轴向静态额定载荷
|
径向动态额定载荷
|
径向静态额定载荷
|
|
VU140179
|
7
|
234
|
232
|
124,5
|
126,5
|
178
|
180
|
35
|
30
|
5
|
5
|
3
|
214
|
144,5
|
12
|
12
|
11
|
33,6
|
115
|
255
|
75
|
114
|
0,04 incl. 0,14
|
0,07 incl. 0,23
|
|
VU200220
|
16
|
302
|
300
|
138
|
140
|
219
|
221
|
46
|
41
|
6
|
6
|
-
|
270
|
170
|
10
|
10
|
18
|
78
|
201
|
435
|
132
|
197
|
0,05 incl. 0,2
|
0,08 incl. 0,33
|
|
VU1302255)
|
5,4
|
290
|
-
|
200
|
-
|
237,6
|
213
|
24
|
24
|
-
|
-
|
-
|
270
|
-
|
6
|
-
|
-
|
19,8
|
49
|
87
|
46
|
39,5
|
0,02 incl. 0,06
|
0,05 incl. 0,16
|
|
VU200260
|
15
|
329
|
327
|
191
|
193
|
259
|
261
|
46
|
41
|
7
|
7
|
2
|
305
|
215
|
20
|
20
|
14
|
82,6
|
217
|
520
|
143
|
233
|
0,05 incl. 0,2
|
0,08 incl. 0,33
|
|
VU140325
|
12
|
380
|
378
|
270
|
272
|
324
|
326
|
35
|
30
|
5
|
5
|
3
|
360
|
290
|
24
|
24
|
11
|
67,2
|
146
|
460
|
95
|
208
|
0,04 incl. 0,14
|
0,07 incl. 0,23
|
|
VU250380
|
44
|
485
|
483
|
275
|
277
|
379
|
381
|
55
|
50
|
8
|
8
|
-
|
453
|
307
|
16
|
16
|
18
|
124,8
|
350
|
800
|
230
|
360
|
0,06 incl. 0,25
|
0,06 incl. 0,41
|