XSU附带安装孔型交叉滚子转盘轴承产品介绍
XSU交叉滚子转盘轴承的内圈和外圈均为整体结构,此系列转盘轴承为大尺寸、大截面、高承载设计,内圈和外圈都带有安装孔,内圈和外圈上可制齿与轴承一体化设计加工,安装时不需要固定法兰和支撑座,具有较高的承载能力和较高的抗倾覆力矩能力,适合于要求高承载、高刚性、有冲击载荷的应用场合,例如机床用数控转台、立式或卧式镗床、大型滚齿机、雷达回转台、光学望远镜、旋转转向架、焊接支架和工业机器人底座等。
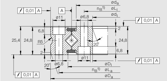
XSU附带安装孔型交叉滚子转盘轴承为无齿结构,内圈和外圈上加工有安装孔,安装孔可为沉孔、丝孔,外圈外径上可带有润滑油嘴,轴承两侧可装橡胶密封或双面弹性簧片钢制密封,该类型轴承有尺寸系列,XSU08系列内径尺寸范围为Φ130~Φ360mm、XSU14系列内径尺寸范围为Φ344~Φ1024mm。我们的技术部门会协助您进行选型及咨询,请联系:135 0379 0601(微信同号)。
XSU附带安装孔型交叉滚子转盘轴承型号参数表
|
轴径
mm
|
公称型号
|
质量
kg
|
主要尺寸 mm
|
安装孔
|
基本额定载荷
|
转速
min-1
|
|
|
|
|
|
|
轴向
|
径向
|
|
|
|
|
|
外径
Da
|
内径
di
|
Di
|
da
|
La
|
Li
|
nB
|
Fr
kN
|
Ca
kN
|
C0a
kN
|
Cr
kN
|
C0r
kN
|
|
|
130
|
XSU080168
|
3.3
|
205
|
130
|
174
|
159
|
190
|
145
|
12
|
8.18
|
66
|
240
|
42
|
96
|
227
|
|
150
|
XSU080188
|
3.7
|
225
|
150
|
194
|
179
|
210
|
165
|
16
|
10.9
|
71
|
275
|
46
|
110
|
203
|
|
180
|
XSU080218
|
4.3
|
255
|
180
|
224
|
209
|
240
|
195
|
20
|
13.6
|
77
|
315
|
49
|
127
|
175
|
|
220
|
XSU080258
|
5.1
|
295
|
220
|
264
|
249
|
280
|
235
|
24
|
16.4
|
84
|
375
|
54
|
151
|
148
|
|
280
|
XSU080318
|
6.3
|
355
|
280
|
324
|
309
|
340
|
295
|
28
|
19.1
|
93
|
465
|
59
|
185
|
120
|
|
360
|
XSU080398
|
7.8
|
435
|
360
|
404
|
389
|
420
|
375
|
36
|
24.5
|
106
|
590
|
68
|
236
|
96
|
|
轴径
mm
|
公称型号
|
质量
kg
|
主要尺寸 mm
|
安装孔
|
基本额定载荷
|
转速
min-1
|
|
|
|
|
|
|
轴向
|
径向
|
|
|
|
|
|
外径
Da
|
内径
di
|
Di
|
da
|
La
|
nB
|
Li
|
ni
|
Fr
kN
|
Ca
kN
|
C0a
kN
|
Cr
kN
|
C0r
kN
|
|
|
344
|
XSU140414
|
28
|
484
|
344
|
415
|
413
|
460
|
24
|
368
|
24
|
98.3
|
229
|
520
|
146
|
250
|
92
|
|
474
|
XSU140544
|
38
|
614
|
474
|
545
|
543
|
590
|
32
|
498
|
32
|
131
|
270
|
680
|
170
|
330
|
70
|
|
574
|
XSU140644
|
44
|
714
|
574
|
645
|
643
|
690
|
36
|
598
|
36
|
147
|
270
|
680
|
185
|
395
|
59
|
|
674
|
XSU140744
|
52
|
814
|
674
|
745
|
743
|
790
|
40
|
698
|
40
|
164
|
315
|
930
|
200
|
455
|
51
|
|
774
|
XSU140844
|
60
|
914
|
774
|
845
|
843
|
890
|
40
|
798
|
10
|
164
|
340
|
1050
|
215
|
510
|
45
|
|
874
|
XSU140944
|
67
|
1014
|
874
|
945
|
943
|
990
|
44
|
898
|
44
|
180
|
360
|
1170
|
227
|
580
|
40
|
|
1024
|
XSU141094
|
77
|
1164
|
1024
|
1095
|
1093
|
1140
|
48
|
1048
|
48
|
197
|
390
|
1360
|
246
|
670
|
35
|