RA系列薄型交叉滚子轴承产品介绍
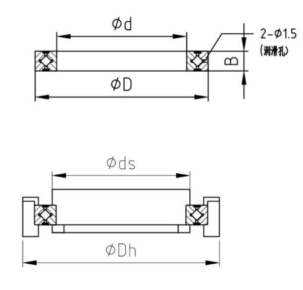
RA系列薄型交叉滚子轴承是将RB系列内、外圈厚度减小到很小的紧麦形式.适用于需要載荷小、紧凑设计的部位,例如机88人和机械手旋转部位.RA系列交叉滚子轴承有RA(开式)和RA,..UU(双端面密封)两种结构类型。
普瑞斯精密RA系列薄型交叉滚子轴承内部结构采用滚子呈90°相互垂直交叉排列,结构紧凑,可同时承受径向载荷、双向推力载荷以及倾覆力矩。同时具有高刚性,所以适用于工业用机器人的关节部位或旋转部位、机械加工中心的旋转工作台、机械手旋转部位、精密旋转工作台、医疗机器、计量器、IC制造装置等设备。
普瑞斯精密RA系列薄型交叉滚子轴承有带保持架、带间隔保持器和满装滚子三种结构形式,其中带保持架、带间隔保持器的适用于摩擦力矩小转速高的工况,满装滚子的适用于低速重载的工况。
交叉滚子轴承型号命名原则
示例1:
示例2:
示例3:
类型代号:RA:RA系列 RB:RB系列 RE:RE系列 CRB:CRB系列 CRBH...A:CRBH...A系列 RA…C:RA...C系列 RU:RU系列 XV:XV系列 XSU:XSU系列
内径代号:内径尺寸(mm) RU系列:节圆直径(mm)
宽度代号:宽度尺寸(mm)
密封代号:UU:双端面密封 U:单端面密封 RU系列:U:外圈沉孔侧单侧密封 UT:非沉孔侧单侧密封
游隙代号:CC0:负游隙 CO:正游隙 C1:较大游隙 CRBH-A型:T1:负游隙
精度代号:P5:ISO5级 P4:ISO4级 P2:ISO2级
精度对象代号:无标记:适用于内器旋转精度高 R:适用于外圈旋转精度高 B:适用于内圈或外圈旋转精度高
安装孔方向代号:无标记:内外圈同为沉孔且方向一致对于RU42-RU85,外圈沉孔但内圈螺纹孔 G:内外圈同为沉孔且方向相反 X:外圈沉孔但内圈螺纹孔(通孔)适用于RU124~RU45
附件代号:无标记:无油孔-N:有油孔
RA系列薄型交叉滚子轴承的外径相对于内径而言较小,宽度尺寸也比较小。此外,还备有附带保持器型、分离器型及满滚子型,可根据用途选择使用。我们的技术部门会协助您进行选型及咨询,请联系:135 0379 0601(微信同号)。
RA系列薄型交叉滚子轴承型号参数
|
轴径
mm
|
公称型号
|
主要尺寸 mm
|
安装尺寸mm
|
基本额定载荷(径向)
|
质量
|
对应型号
|
|
内径
d
|
外径
D
|
宽度
B
|
rmin
|
滚柱节圆直径
dp
|
S
|
h
|
动C
kN
|
静kN
|
kg
|
IKO
|
|
50
|
RA5008
|
50
|
66
|
8
|
0.5
|
57
|
53.5
|
60.5
|
5.1
|
7.19
|
0.08
|
CRBS508
|
|
60
|
RA6008
|
60
|
76
|
8
|
0.5
|
67
|
63.5
|
70.5
|
5.68
|
8.68
|
0.09
|
CRBS608
|
|
70
|
RA7008
|
70
|
86
|
8
|
0.5
|
77
|
73.5
|
80.5
|
5.98
|
9.8
|
0.1
|
CRBS708
|
|
80
|
RA8008
|
80
|
96
|
8
|
0.5
|
87
|
83.5
|
90.5
|
6.37
|
11.3
|
0.11
|
CRBS808
|
|
90
|
RA9008
|
90
|
106
|
8
|
0.5
|
97
|
93.5
|
100.5
|
6.76
|
12.4
|
0.12
|
CRBS908
|
|
100
|
RA10008
|
100
|
116
|
8
|
0.5
|
107
|
103.5
|
110.5
|
7.15
|
13.9
|
0.14
|
CRBS1008
|
|
110
|
RA11008
|
110
|
126
|
8
|
0.5
|
117
|
113.5
|
120.5
|
7.45
|
15
|
0.15
|
CRBS1108
|
|
120
|
RA12008
|
120
|
136
|
8
|
0.5
|
127
|
123.5
|
130.5
|
7.84
|
16.5
|
0.17
|
CRBS1208
|
|
130
|
RA13008
|
130
|
146
|
8
|
0.5
|
137
|
133.5
|
140.5
|
7.94
|
17.6
|
0.18
|
CRBS1308
|
|
140
|
RA14008
|
140
|
156
|
8
|
0.5
|
147
|
143.5
|
150.5
|
8.33
|
19.1
|
0.19
|
CRBS1408
|
|
150
|
RA15008
|
150
|
166
|
8
|
0.5
|
157
|
153.5
|
160.5
|
8.82
|
20.6
|
0.2
|
CRBS1508
|
|
160
|
RA16013
|
160
|
186
|
13
|
0.8
|
172
|
165
|
179
|
23.3
|
44.9
|
0.59
|
CRBS1613
|
|
170
|
RA17013
|
170
|
196
|
13
|
0.8
|
182
|
175
|
189
|
23.5
|
46.5
|
0.64
|
CRBS1713
|
|
180
|
RA18013
|
180
|
206
|
13
|
0.8
|
192
|
185
|
199
|
24.5
|
49.8
|
0.68
|
CRBS1813
|
|
190
|
RA19013
|
190
|
216
|
13
|
0.8
|
202
|
195
|
209
|
24.9
|
51.5
|
0.69
|
CRBS1913
|
|
200
|
RA20013
|
200
|
226
|
13
|
0.8
|
212
|
205
|
219
|
25.8
|
54.7
|
0.71
|
CRBS2013
|
注:普瑞斯同时也提供附带密封圈的RA…UU型。