
等截面薄壁轴承是一个由七个开式系列,五个密封系列组成。开式系列有三种类型:径向接触C型、角接触型A型和四点接触X型。薄壁等截面轴承优点:薄壁型轴承实现了极薄型的轴承断面,也实现了产品的小型化、轻量化。产品的多样性扩展了其用途范围。
薄壁等截面轴承产品特性:为了得到轴承的低摩擦扭矩、高刚性、良好的回转精度,使用了小外径的钢球。中空轴的使用,确保了轻量化和配线的空间。薄壁型6700、6800系列有各种防尘盖形式、带法兰形式、不锈钢形式、宽幅形式等,品种齐全。
薄壁等截面轴承主要用途:步进电机、医疗器械、办公器械、检测仪器、减速.变速装置、机器人、光学.映像器械、旋转编码器。
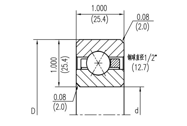
薄壁等截面轴承又叫薄壁套圈轴承,它精度高、非常安静以及承载能力很强。薄壁套圈轴承可以是深沟球轴承、四点接触轴承、角接触球轴承,薄壁等截面轴承横截面大多为正方形。在这些系列中,即使是更大的轴直径和轴承孔,横截面也保持不变。这些轴承因此称为等截面。
·KAA SERIES

|
型号 |
尺寸(mm) |
载荷(P) |
重量 |
|||||
|
d |
D |
H |
Cor |
Cr |
Coa |
Ca |
Kg |
|
|
KAA10XP0 |
25.4 |
34.925 |
4.762 |
1290 |
670 |
3250 |
1650 |
0.012 |
|
KAA15XP0 |
38.1 |
47.625 |
4.762 |
1780 |
800 |
4450 |
2050 |
0.018 |
|
KAA17XP0 |
44.45 |
53.975 |
4.762 |
3100 |
2950 |
|
|
0.02 |
|
型号 |
尺寸(mm) |
载荷(P) |
重量 |
|||||
|
d |
D |
H |
Cor |
Cr |
Coa |
Ca |
Kg |
|
|
KA020XP0 |
50.8 |
63.5 |
6.35 |
1650 |
1420 |
7600 |
3510 |
0.048 |
|
KA025XP0 |
63.5 |
76.2 |
6.35 |
3690 |
1600 |
9290 |
4050 |
0.059 |
|
KA030XP0 |
76.2 |
88.9 |
6.35 |
4400 |
1820 |
10980 |
4490 |
0.068 |
|
KA035XP0 |
88.9 |
101.6 |
6.35 |
5070 |
2000 |
12670 |
4930 |
0.082 |
|
KA040XP0 |
101.6 |
114.3 |
6.35 |
5730 |
2130 |
14310 |
5380 |
0.09 |
|
KA042XP0 |
107.95 |
120.65 |
6.35 |
6090 |
2220 |
15160 |
5600 |
0.095 |
|
KA045XP0 |
114.3 |
127 |
6.35 |
6400 |
2310 |
16000 |
5820 |
0.1 |
|
KA047XP0 |
120.65 |
133.35 |
6.35 |
6760 |
2400 |
16850 |
6000 |
0.104 |
|
KA050XP0 |
127 |
139.7 |
6.35 |
7070 |
2490 |
17690 |
6220 |
0.109 |
|
KA055XP0 |
139.7 |
152.4 |
6.35 |
7780 |
2620 |
19380 |
6580 |
0.118 |
|
KA060XP0 |
152.4 |
165.1 |
6.35 |
8450 |
2800 |
21070 |
6980 |
0.13 |
|
KA065XP0 |
165.1 |
177.8 |
6.35 |
9110 |
2930 |
22760 |
7330 |
0.14 |
|
KA070XP0 |
177.8 |
190.5 |
6.35 |
9780 |
3070 |
24450 |
7690 |
0.15 |
|
KA075XP0 |
190.5 |
203.2 |
6.35 |
10450 |
3200 |
26140 |
8050 |
0.16 |
|
KA080XP0 |
203.2 |
215.9 |
6.35 |
11110 |
3330 |
27830 |
8400 |
0.172 |
|
KA090XP0 |
228.6 |
241.3 |
6.35 |
12490 |
3600 |
31200 |
9070 |
0.2 |
|
KA100XP0 |
254 |
266.7 |
6.35 |
13820 |
3870 |
34580 |
9690 |
0.227 |
|
KA110XP0 |
279.4 |
292.1 |
6.35 |
15160 |
4130 |
37960 |
10310 |
0.236 |
|
KA120XP0 |
304.8 |
317.5 |
6.35 |
16540 |
4360 |
41340 |
10890 |
0.254 |
|
型号 |
尺寸(mm) |
载荷(P) |
重量 |
|||||
|
d |
D |
H |
Cor |
Cr |
Coa |
Ca |
Kg |
|
|
KB020XP0 |
50.8 |
66.675 |
7.938 |
4130 |
2000 |
10400 |
5020 |
0.073 |
|
KB025XP0 |
63.5 |
79.375 |
7.938 |
5070 |
2310 |
12620 |
5730 |
0.091 |
|
KB030XP0 |
76.2 |
92.075 |
7.938 |
5960 |
2580 |
14890 |
6400 |
0.109 |
|
KB035XP0 |
88.9 |
104.775 |
7.938 |
6850 |
2800 |
17160 |
7070 |
0.125 |
|
KB040XP0 |
101.6 |
117.475 |
7.938 |
7780 |
3070 |
19430 |
7650 |
0.14 |
|
KB042XP0 |
107.95 |
123.825 |
7.938 |
8130 |
3160 |
20310 |
7910 |
0.147 |
|
KB045XP0 |
114.3 |
130.175 |
7.938 |
8670 |
3290 |
21690 |
8220 |
0.16 |
|
KB047XP0 |
120.65 |
136.525 |
7.938 |
9020 |
3380 |
22580 |
8450 |
0.163 |
|
KB050XP0 |
127 |
142.875 |
7.938 |
9560 |
3510 |
23910 |
8800 |
0.172 |
|
PKB055XP0 |
139.7 |
155.575 |
7.938 |
10490 |
3730 |
26180 |
9340 |
0.186 |
|
KB060XP0 |
152.4 |
168.275 |
7.938 |
11380 |
3960 |
28450 |
9870 |
0.205 |
|
KB065XP0 |
165.1 |
180.975 |
7.938 |
12270 |
4130 |
30720 |
10400 |
0.216 |
|
KB070XP0 |
177.8 |
193.675 |
7.938 |
13200 |
4360 |
32980 |
10890 |
0.232 |
|
KB075XP0 |
190.5 |
206.375 |
7.938 |
14090 |
4530 |
35200 |
11380 |
0.25 |
|
KB080XP0 |
203.2 |
219.075 |
7.938 |
14980 |
4760 |
37470 |
11870 |
0.262 |
|
KB090XP0 |
228.6 |
244.475 |
7.938 |
16800 |
5110 |
42000 |
12800 |
0.3 |
|
KB100XP0 |
254 |
269.875 |
7.938 |
18620 |
5470 |
46500 |
13690 |
0.331 |
|
KB110XP0 |
279.4 |
295.275 |
7.938 |
20400 |
5820 |
51030 |
14580 |
0.36 |
|
KB120XP0 |
304.8 |
320.675 |
7.938 |
22230 |
6180 |
55560 |
15420 |
0.39 |
|
KB140XP0 |
355.6 |
371.475 |
7.938 |
25830 |
6800 |
64590 |
17070 |
0.476 |
|
KB160XP0 |
406.4 |
422.275 |
7.938 |
29430 |
7420 |
73610 |
18630 |
0.544 |
|
KB180XP0 |
457.2 |
473.075 |
7.938 |
33070 |
8050 |
82630 |
20090 |
0.612 |
|
KB200XP0 |
508 |
523.875 |
7.938 |
36670 |
8620 |
91660 |
21560 |
0.68 |
|
型号 |
尺寸(mm) |
载荷(P) |
重量 |
|||||
|
d |
D |
H |
Cor |
Cr |
Coa |
Ca |
Kg |
|
|
KX040XP0 |
101.6 |
120.65 |
9.525 |
9340 |
3910 |
23380 |
9820 |
0.204 |
|
KX042XP0 |
107.95 |
127 |
9.525 |
9870 |
4090 |
24710 |
10180 |
0.213 |
|
KX045XP0 |
114.3 |
133.35 |
9.525 |
10400 |
4220 |
26050 |
10580 |
0.225 |
|
KX047XP0 |
120.65 |
139.7 |
9.525 |
10940 |
4360 |
27380 |
10940 |
0.235 |
|
KX050XP0 |
127 |
146.05 |
9.525 |
11510 |
4490 |
28720 |
11290 |
0.263 |
|
KX055XP0 |
139.7 |
158.75 |
9.525 |
12580 |
4800 |
31380 |
11960 |
0.268 |
|
KX060XP0 |
152.4 |
171.45 |
9.525 |
13650 |
5070 |
34050 |
12620 |
0.295 |
|
KX065XP0 |
165.1 |
184.15 |
9.525 |
14710 |
5330 |
36760 |
13290 |
0.312 |
|
KX070XP0 |
177.8 |
196.85 |
9.525 |
15780 |
5560 |
39430 |
13910 |
0.34 |
|
KX075XP0 |
190.5 |
209.55 |
9.525 |
16850 |
5820 |
42090 |
14540 |
0.36 |
|
KX080XP0 |
203.2 |
222.25 |
9.525 |
17910 |
6050 |
44760 |
15160 |
0.387 |
|
KX090XP0 |
228.6 |
247.65 |
9.525 |
20050 |
6530 |
50100 |
16310 |
0.45 |
|
KX100XP0 |
254 |
273.05 |
9.525 |
22180 |
6980 |
55430 |
17470 |
0.481 |
|
KX110XP0 |
279.4 |
298.45 |
9.525 |
24310 |
7420 |
60810 |
18580 |
0.526 |
|
KX120XP0 |
304.8 |
323.85 |
9.525 |
26450 |
7870 |
66140 |
19650 |
0.567 |
|
KX140XP0 |
355.6 |
374.65 |
9.525 |
30720 |
8670 |
76810 |
21740 |
0.689 |
|
KX160XP0 |
406.4 |
425.45 |
9.525 |
35030 |
9470 |
87520 |
23690 |
0.785 |
|
KX180XP0 |
457.2 |
476.25 |
9.525 |
39290 |
10220 |
98190 |
25600 |
0.88 |
|
KX200XP0 |
508 |
527.05 |
9.525 |
43560 |
10980 |
108900 |
27430 |
0.98 |
|
KX250XP0 |
635 |
654.05 |
9.525 |
|
|
|
|
|
|
型号 |
尺寸(mm) |
载荷(P) |
重量 |
|||||
|
d |
D |
H |
Cor |
Cr |
Coa |
Ca |
Kg |
|
|
KD040XP0 |
101.6 |
127 |
12.7 |
13690 |
6270 |
34230 |
15650 |
0.366 |
|
KD042XP0 |
107.95 |
133.35 |
12.7 |
14180 |
6400 |
35470 |
16000 |
0.386 |
|
KD045XP0 |
114.3 |
139.7 |
12.7 |
15200 |
6710 |
38010 |
16760 |
0.405 |
|
KD047XP0 |
120.65 |
146.05 |
12.7 |
15690 |
6850 |
39290 |
17160 |
0.426 |
|
KD050XP0 |
127 |
152.4 |
12.7 |
16710 |
7160 |
41830 |
17870 |
0.454 |
|
KD055XP0 |
139.7 |
165.1 |
12.7 |
18230 |
7560 |
45610 |
18940 |
0.485 |
|
KD060XP0 |
152.4 |
177.8 |
12.7 |
19780 |
8000 |
49430 |
19960 |
0.526 |
|
KD065XP0 |
165.1 |
190.5 |
12.7 |
21290 |
8400 |
53210 |
20980 |
0.566 |
|
KD070XP0 |
177.8 |
203.2 |
12.7 |
22800 |
8800 |
57030 |
21960 |
0.606 |
|
KD075XP0 |
190.5 |
215.9 |
12.7 |
24310 |
9160 |
60810 |
22940 |
0.65 |
|
KD080XP0 |
203.2 |
228.6 |
12.7 |
25830 |
9560 |
64630 |
23870 |
0.694 |
|
KD090XP0 |
228.6 |
254 |
12.7 |
28900 |
10310 |
72230 |
25740 |
0.78 |
|
KD100XP0 |
254 |
279.4 |
12.7 |
31920 |
10980 |
79830 |
27520 |
0.853 |
|
KD110XP0 |
279.4 |
304.8 |
12.7 |
34980 |
11690 |
87430 |
29200 |
0.934 |
|
KD120XP0 |
304.8 |
330.2 |
12.7 |
38010 |
12360 |
95030 |
30890 |
1.02 |
|
KD140XP0 |
355.6 |
381 |
12.7 |
44090 |
13650 |
110240 |
34090 |
1.24 |
|
KD160XP0 |
406.4 |
431.8 |
12.7 |
50180 |
14890 |
125440 |
37160 |
1.41 |
|
KD180XP0 |
457.2 |
482.6 |
12.7 |
56230 |
16050 |
140640 |
40140 |
1.58 |
|
KD200XP0 |
508 |
533.4 |
12.7 |
62320 |
17200 |
155840 |
42980 |
1.75 |
·KF SERIES
|
型号 |
尺寸(mm) |
载荷(P) |
重量 |
|||||
|
d |
D |
H |
Cor |
Cr |
Coa |
Ca |
Kg |
|
|
KF040XP0 |
101.6 |
139.7 |
19.05 |
23830 |
12140 |
59560 |
30360 |
0.875 |
|
KF042XP0 |
107.95 |
146.05 |
19.05 |
25070 |
12580 |
62720 |
31430 |
0.93 |
|
KF045XP0 |
114.3 |
152.4 |
19.05 |
26360 |
12980 |
65830 |
32450 |
0.975 |
|
KF047XP0 |
120.65 |
158.75 |
19.05 |
27600 |
13380 |
68990 |
33470 |
1.04 |
|
KF050XP0 |
127 |
165.1 |
19.05 |
28850 |
13780 |
72100 |
34490 |
1.09 |
|
KF055XP0 |
139.7 |
177.8 |
19.05 |
31340 |
14580 |
78370 |
36450 |
1.18 |
|
KF060XP0 |
152.4 |
190.5 |
19.05 |
33870 |
15340 |
84680 |
38360 |
1.24 |
|
KF065XP0 |
165.1 |
203.2 |
19.05 |
36360 |
16090 |
90950 |
40230 |
1.35 |
|
KF070XP0 |
177.8 |
215.9 |
19.05 |
38890 |
16850 |
97210 |
42050 |
1.45 |
|
KF075XP0 |
190.5 |
228.6 |
19.05 |
41380 |
17560 |
103480 |
43870 |
1.56 |
|
KF080XP0 |
203.2 |
241.3 |
19.05 |
43920 |
18230 |
109750 |
45610 |
1.66 |
|
KF090XP0 |
228.6 |
266.7 |
19.05 |
48900 |
19600 |
122280 |
49030 |
1.81 |
|
KF100XP0 |
254 |
292.1 |
19.05 |
53920 |
20940 |
134820 |
52320 |
2.02 |
|
KF110XP0 |
279.4 |
317.5 |
19.05 |
58940 |
22230 |
147350 |
55520 |
2.18 |
|
KF120XP0 |
304.8 |
342.9 |
19.05 |
63960 |
23470 |
159890 |
58630 |
2.38 |
|
KF140XP0 |
355.6 |
393.7 |
19.05 |
74010 |
25830 |
185000 |
64590 |
2.72 |
|
KF160XP0 |
406.4 |
444.5 |
19.05 |
84010 |
28140 |
210070 |
70320 |
3.22 |
|
KF180XP0 |
457.2 |
495.3 |
19.05 |
94060 |
30320 |
235140 |
75830 |
3.58 |
|
KF200XP0 |
508 |
546.1 |
19.05 |
104100 |
32450 |
260260 |
81120 |
4.04 |
|
型号 |
尺寸(mm) |
载荷(P) |
重量 |
|||||
|
d |
D |
H |
Cor |
Cr |
Coa |
Ca |
Kg |
|
|
KG040XP0 |
101.6 |
152.4 |
25.4 |
36490 |
20000 |
91210 |
50050 |
1.65 |
|
KG042XP0 |
107.95 |
158.75 |
25.4 |
36490 |
20000 |
91210 |
50050 |
1.75 |
|
KG045XP0 |
114.3 |
165.1 |
25.4 |
38940 |
20900 |
97300 |
52230 |
1.81 |
|
KG047XP0 |
120.65 |
171.45 |
25.4 |
41340 |
21740 |
103390 |
54360 |
1.91 |
|
KG050XP0 |
127 |
177.8 |
25.4 |
43780 |
22580 |
109440 |
56500 |
2.02 |
|
KG055XP0 |
139.7 |
190.5 |
25.4 |
46230 |
23430 |
115530 |
58590 |
2.17 |
|
KG060XP0 |
152.4 |
203.2 |
25.4 |
51070 |
25030 |
127710 |
62630 |
2.31 |
|
KG065XP0 |
165.1 |
215.9 |
25.4 |
53520 |
25830 |
133800 |
64590 |
2.47 |
|
KG070XP0 |
177.8 |
228.6 |
25.4 |
58360 |
27380 |
145930 |
68450 |
2.67 |
|
KG075XP0 |
190.5 |
241.3 |
25.4 |
60810 |
28140 |
152020 |
70320 |
2.83 |
|
KG080XP0 |
203.2 |
254 |
25.4 |
65650 |
29600 |
164200 |
74010 |
3 |
|
KG090XP0 |
228.6 |
279.4 |
25.4 |
72990 |
31780 |
182420 |
79430 |
3.3 |
|
KG100XP0 |
254 |
304.8 |
25.4 |
80280 |
33870 |
200650 |
84630 |
3.65 |
|
KG110XP0 |
279.4 |
330.2 |
25.4 |
87570 |
35870 |
218920 |
89700 |
3.96 |
|
KG120XP0 |
304.8 |
355.6 |
25.4 |
94860 |
37830 |
237140 |
94590 |
4.32 |
|
KG140XP0 |
355.6 |
406.4 |
25.4 |
109440 |
41600 |
273630 |
104060 |
4.96 |
|
KG160XP0 |
406.4 |
457.2 |
25.4 |
124060 |
45250 |
310130 |
113130 |
5.65 |
|
KG180XP0 |
457.2 |
508 |
25.4 |
138640 |
48720 |
346620 |
121840 |
6.28 |
|
KG200XP0 |
508 |
558.8 |
25.4 |
153220 |
52100 |
383070 |
130240 |
7.53 |
|
KG250XP0 |
635 |
685.8 |
25.4 |
300000 |
100000 |
|
|
8.85 |
|
KG300XP0 |
762 |
812.8 |
25.4 |
360000 |
107000 |
|
|
10.57 |
|
KG350XP0 |
889 |
939.8 |
25.4 |
420000 |
113000 |
|
|
12.3 |
|
KG400XP0 |
1016 |
1066.8 |
25.4 |
|
|
|
|
|
电话:
传真:0379-64595057
公司地址:
河南省洛阳市宜阳县腾飞路与腾飞南路交叉口
联系人:邵经理
手机:18568992278 邮箱:puruisi@lyprc.com
