当前位置:首页 - 技术支持

关于THK的RB258交叉滚子轴承这些你知道吗?

时间:2026-01-17 16:49:31 点击:234 次 来源:洛阳普瑞斯轴承

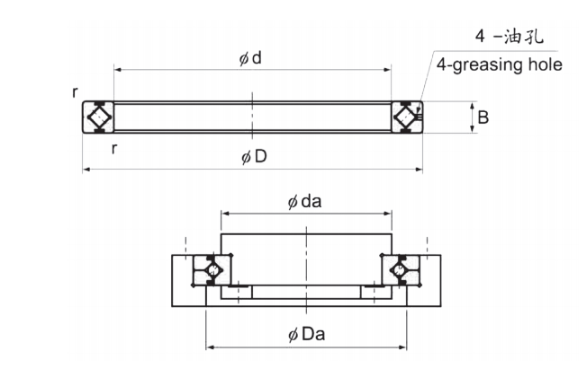
RB258 交叉滚子轴承尺寸规格介绍RB258交叉滚子轴承是洛阳普瑞斯轴承技术有限公司可替代的产品型号。

RB258轴承的外形尺寸为内径25mm、外径41mm、高度8mm,内圈和外圈均可为整体结构,此系列自带安装孔适合应用于要求重量轻、结构紧凑的旋转部位,例如协作机器人,服务机器人、特种机器人和对位平台等。

RB标准型交又溶子轴承的外被分成两部分,为防上在搬运或安装时坡分离,用螺丝进行了国定,方便使用。此家自承被之用于需要小型高刚性和高旋转持度的产业用初器人,机床及医宁设备等的旋转部。也制作不锈钢轴承和内外圈设有安装孔的轴承,我们的技术部门会协助您进行选型及咨询

洛阳普瑞斯轴承技术有限公司,深耕交叉滚子轴承制造领域,以高精度P4级产品为核心,覆盖Φ3~Φ5000mm全尺寸系列。采用90°交叉滚子排列工艺,实现多向负载均衡,刚性提升,广泛应用于工业机器人、人形机器人、医疗设备及航空航天。凭借表面强化技术与预润滑设计,产品摩擦低、寿命长,助力客户降本增效,已成为国产精密轴承领军品牌

洛阳普瑞斯轴承技术有限公司,深耕交叉滚子轴承制造领域,以高精度P4级产品为核心,覆盖Φ3~Φ5000mm全尺寸系列。采用90°交叉滚子排列工艺,实现多向负载均衡,刚性提升,广泛应用于工业机器人、人形机器人、医疗设备及航空航天。凭借表面强化技术与预润滑设计,产品摩擦低、寿命长,助力客户降本增效,已成为国产精密轴承领军品牌